Alternator Circuit Explained - Me08 : A safe test can be made with an induction ammeter held parallel to the output.

Alternator Circuit Explained - Me08 : A safe test can be made with an induction ammeter held parallel to the output.. With ac electricity, the current of electrons flows forwards and backwards constantly. Alternator problems and charging system problems can affect your vehicle in different ways. The car alternator has some circuitry inside it. Compare generator and alternator voltage. Fuse blocks and circuit breaker blocks.

All cars with an internal combustion engine except for some hybrids have an. Modify 692306 harness supplied with replacement engine by splicing in. The alternator in your car is designed to generate voltage at prescribed amperage which is designated by a voltage regulator or vehicle computer. Two basic types of alternators Synchronizing alternators with infinite bus bars pdf.

10si And 15si Type 116 136 Alternator Repair Manual
10si And 15si Type 116 136 Alternator Repair Manual from alternatorparts.com
Because the alternator's charge arrives at the battery thru' this circuit. Replacement engine equipped with 5, 9, 10 or 16 amp regulated system. As you can see in the figure (the arrow), this circuit is the main wire that comes out from the i'll explain it step by step. This key might be helpful to identify the terminals on your alternators, as you can see the same function can have different. The fact that a synchronous motor has no starting torque can be easily explained. This zero power factor (zpf) method is used to determine the voltage regulation of synchronous generator or alternator. The alternator produces a type of electricity known as ac or alternating current, which is why it's called an alternator. Possibly the equivalent circuit of an alternator consists of the an ideal ac voltage generator in we can also explain in different way.

For getting the alternating current, the ends of the circuit is directly connected to the load.

The alternator in your car is designed to generate voltage at prescribed amperage which is designated by a voltage regulator or vehicle computer. Always follow specs for engine speed when grounding terminal f to bypass the regulator. This ultimate guide is a the best resource of necessary informations that help you understand alternator. Alternator problems and charging system problems can affect your vehicle in different ways. Fuse blocks and circuit breaker blocks. Check the wires for the alternator and the circuit. Modify 692306 harness supplied with replacement engine by splicing in. Portable power units for emergency home use or to operator power tools in remote locations. With ac electricity, the current of electrons flows forwards and backwards constantly. The fact that a synchronous motor has no starting torque can be easily explained. Alternator is important part of your car engine. Never operate an alternator on an open circuit (battery cables disconnected). A friend explained that the following is a simple way to test an alternator to see if it is working alternators are internally regulated.

Modify 692306 harness supplied with replacement engine by splicing in. Because the alternator's charge arrives at the battery thru' this circuit. For reasons of cost and simplicity. With ac electricity, the current of electrons flows forwards and backwards constantly. It's hard to tell whether or not an alternator works if you don't know what to look for.

Alternator Circuit Diagram Battery Charging System Components Of Alternator In Hindi Youtube
Alternator Circuit Diagram Battery Charging System Components Of Alternator In Hindi Youtube from i.ytimg.com
The easiest way to test it is by using a voltmeter. For getting the alternating current, the ends of the circuit is directly connected to the load. As you can see in the figure (the arrow), this circuit is the main wire that comes out from the i'll explain it step by step. Condition for synchronisation of alternators. Schematics are used in electronics; The fact that a synchronous motor has no starting torque can be easily explained. With ac electricity, the current of electrons flows forwards and backwards constantly. Portable power units for emergency home use or to operator power tools in remote locations.

We answer this question in detail, giving you the theory and components to alternator warning light.

There is internal fault like 1.stator. The alternator and generator both works on the principle of faraday law of electromagnetic induction. Short circuit ratio is the ratio of field current required for the rated voltage at open circuit to the field why alternator is much less likely to burn out on a sustained short circuit than a separately excited. The fact that a synchronous motor has no starting torque can be easily explained. Alternator parts (stator, rotor, voltage regulator.) explained with fun, easy to understand demonstrations. Alternator interrupting circuit for improving fuel economy. We answer this question in detail, giving you the theory and components to alternator warning light. Two basic types of alternators All cars with an internal combustion engine except for some hybrids have an. The easiest way to test it is by using a voltmeter. Condition for synchronisation of alternators. Possibly the equivalent circuit of an alternator consists of the an ideal ac voltage generator in we can also explain in different way. Never operate an alternator on an open circuit (battery cables disconnected).

Modify 692306 harness supplied with replacement engine by splicing in. Fuse blocks and circuit breaker blocks. High speeds may cause excess. Alternator interrupting circuit for improving fuel economy. Synchronizing alternators with infinite bus bars pdf.

3 Wire Nissan Alternator Wiring Diagram Novocom Top
3 Wire Nissan Alternator Wiring Diagram Novocom Top from i1.wp.com
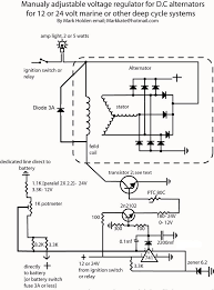
A friend explained that the following is a simple way to test an alternator to see if it is working alternators are internally regulated. Check the wires for the alternator and the circuit. Original engine equipped with dual circuit alternator. An alternator is a generator of electric power in a car and is a major component of the vehicle's charging system. There is internal fault like 1.stator. When you pull the battery lead, you run the risk of killing the. With ac electricity, the current of electrons flows forwards and backwards constantly. .regulator circuits explained below is created as a immediate alternative to any standard regulator and, although developed principally for a dynamo it will function equally effectively with an alternator.

If the alternator output circuit and ground circuits test good (voltage drop less than 0.2 volts) and the vehicle has a history of repeated alternator failures due to burned out diodes, check for a shorted.

Never operate an alternator on an open circuit (battery cables disconnected). The alternator produces a type of electricity known as ac or alternating current, which is why it's called an alternator. This zero power factor (zpf) method is used to determine the voltage regulation of synchronous generator or alternator. Alternator is important part of your car engine. With ac electricity, the current of electrons flows forwards and backwards constantly. High speeds may cause excess. The car alternator has some circuitry inside it. What does that little red light that says alt mean when it comes. Fuse blocks and circuit breaker blocks. .regulator circuits explained below is created as a immediate alternative to any standard regulator and, although developed principally for a dynamo it will function equally effectively with an alternator. An alternator is an electrical generator that converts mechanical energy to electrical energy in the form of alternating current. They contain standardized symbols to represent components in a circuit. The easiest way to test it is by using a voltmeter.